Цена по запросу
Преобразователь давления S+S Regeltechnik PREMASGARD SHD-I 25 LCD
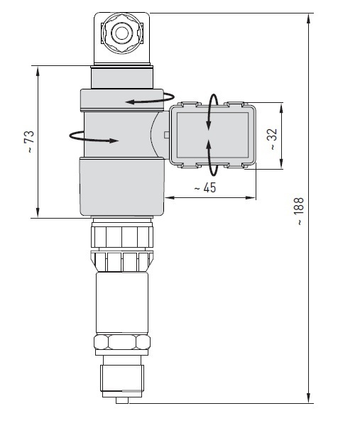
S+S Regeltechnik PREMASGARD SHD-I 25 LCD Преобразователь давления измерительный, вкл. DIN-разъем, с активным выходом
Отдел продаж: sales@segnetics-russia.ru
Датчик давления PREMASGARD серии SHD служит для измерения относительного давления (мин. 0...1 бар / макс. 0...40 бар) в газообразных и жидких средах. Ячейка измерения давления приварена к датчику без применения уплотнений.
Измерительный преобразователь давления PREMASGARD SHD-I 25 LCD преобразует измеряемые величины в нормированный сигнал 4...20 мА, с дисплейным модулем, для отображения давления
Монтаж с помощью резьбы G ½. Используется для гидравлического и пневматического оборудования, управления производственными процессами, машиностроения и производства промышленного оборудования.
| Напряжение питания | 7–33 В пост. тока при выходном сигнале 4...20 мА; |
|---|---|
|
Диапазон измерений |
0...25 бар |
| Выход | 4...20 мА, 2 провода, (нагрузка < (UB (В) -7 В) ⁄ 0,02 A; RL зависит от нагрузки |
| Эл. подключение | 0,25–1,5 мм², посредством разъема DIN EN 175301-803-A (входит в объем поставки) |
| Подвод давления | G ½ дюйма с уплотнением сзади |
| Тип давления | относительное |
| Среда | жидкая или газообразная |
| Время срабатывания | < 2 мс (тип. 1 мс) |
| Монтаж | непосредственно на напорной магистрали |
| Корпус | высококачественная сталь V2A (1.4305) |
| Принцип измерения | стальная измерительная ячейка (подходит для аммиака и фреонов) |
| Температура среды | – 40...+135 °C |
| Степень защиты | P 65 (согласно EN 60 529) |
| Нормы | соответствие CE-нормам, электромагнитная совместимость согласно EN 61326, директива 2014 ⁄ 30 ⁄ EU «Электромагнитная совместимость» |
| Дисплей | с дисплейным модулем, из пластика, полиамид, цвет — черный, ЖК-дисплей можно поворачивать и наклонять, для отображения давления |
